Help! Grinding after I serviced my penn reel :(

Started by Mattymo92, August 03, 2016, 02:59:00 AM

Previous topic - Next topic

0 Members and 1 Guest are viewing this topic.

Mattymo92

Hello All,  

Please help! I have a question around a weird noise I'm getting from my reel... I just, for the first time ever, dis-assembled, cleaned, re-greased and oiled, and re-assembled a reel. It was my 3rd Gen Penn Spinfisher 9500 SS. Its an old model but only been used maybe 6 times. After servicing with the help of a YouTube vid, I noticed a slight grinding noise as the spool floats to its lowest place on the rotor. When the spool is removed, the noise does not occur... Additionally I noticed that the noise doesn't occur if reeled upside down  ??? ... I am hoping that it is not a bent shaft since it has barely been used and was not doing this before I serviced it...

Does anyone have an ideas as to what could be causing this?

I posted a few YouTube links of vids of my reel. You can hear the grinding pretty clearly.  

With spool:
Spool off:  

Thanks in advance!!!  

- Matt M.

Bill B

Matt, I recently had a similar problem but mine was related to the line crossing the bail, so no help there, hopefully someone with more experience will chime in, be patient there is a lot of wisdom here on this site. I will assume the bearings are all good and lubed, if not pull the shields and give them a good cleaning and grease......Bill
It may not be very productive,
but it's sure going to be interesting!

Mattymo92

Quote from: TARFU on August 03, 2016, 03:26:04 AM
Matt, I recently had a similar problem but mine was related to the line crossing the bail, so no help there, hopefully someone with more experience will chime in, be patient there is a lot of wisdom here on this site. I will assume the bearings are all good and lubed, if not pull the shields and give them a good cleaning and grease......Bill

Thanks for the suggestion Bill!

I actually do have an issue where I can't actually get the shields off... Idk if they are stuck because this is probably the first time anyone has tried to open them since the reel was manufactured however many years ago or if there is some rust holding it... So I do need to figure out how to get those off without screwing it up with all the force... With that said thoug, I don't think that's the problem causing the grinding... If it were then I would think the noise would still occur with the spool removed... This is tough because everything appears to be in place.

But your right lots of knowledge here. As soon as it happened to where to go for help :)

- Matt M.

Shark Hunter

Matt,
That noise sounds like the spool hitting the rotor at the bottom of the rotation. Tighten the drag knob and see if it still makes it.
There should also be a Teflon washer on the spindle that the spool sits on.
Check the inside of the spool and the rotor where it might be contacting.
The spinfisher spool wobbles a bit until the drag is tightened down.
Life is Good!

Alto Mare

No Teflon washer on that one Daron, but a metal shim there would cure the problem. Good idea to check other parts first though.

Matt, it could be a couple of things, check the Crosswind Black first and look for any damage by the slot, as I'm showing on the 10/11 pic down:
http://alantani.com/index.php?topic=2263.msg12602#msg12602

Sal
Forget about all the reasons why something may not work. You only need to find one good reason why it will.

Mattymo92

Quote from: Shark Hunter on August 03, 2016, 03:57:21 AM
Matt,
That noise sounds like the spool hitting the rotor at the bottom of the rotation. Tighten the drag knob and see if it still makes it.
There should also be a Teflon washer on the spindle that the spool sits on.
Check the inside of the spool and the rotor where it might be contacting.
The spinfisher spool wobbles a bit until the drag is tightened down.

Shark Hunter,

Just checked those things.

With drag fully cranked down the grind is still there.

No obvious marks from grinding on the rotor (yet) but when looking at it from below it appears one side has a slightly smaller gap between spool and rotor... But I, not sure if I'm just imagining that... It's such a minuscule difference if it's there at all.

Suspiciously though... I'm not seeing any Teflon washer... Where on the spindle would it sit? Could this be the culprit?

Thanks,
Matt M.

Mattymo92

Quote from: Alto Mare on August 03, 2016, 04:05:52 AM
No Teflon washer on that one Daron, but a metal shim there would cure the problem. Good idea to check other parts first though.

Matt, it could be a couple of things, check the Crosswind Black first and look for any damage by the slot, as I'm showing on the 10/11 pic down:
http://alantani.com/index.php?topic=2263.msg12602#msg12602

Sal

Thanks Sal. I will check that now!

- Matt M.

foakes

Welcome, Matt --

As has been said by Sal and Daron, there is no teflon shim washer on a 9500SS -- on most spinners, this would go on top of the spool shaft -- and the spool would rest on it.

As Sal said, you can install a thin metal brass washer under the spool, where the spool rests on the spool shaft.

However, if this cures the issue -- there is still something amiss that was not there before you serviced it.

From your description, it almost has to be a rubbing problem on the underside and inside of the spool.

There is a drag assembly there, along with a shield and some screws.  If any of this is out of alignment, or loose, or screws not seated in -- that may be the issue.

Basically, picture how the spool shaft goes up and down -- then check the crosswind block as Sal said -- because if this shaft is not tight and in place -- the spool shaft would be riding a little lower -- enough to cause the spool to scrape slightly on the inside of the rotating head.

How far down did you disassemble your reel?  Completely or partially?

Best,

Fred






The Official, Un-Authorized Service and Restoration Center for quality vintage spinning reels.

D-A-M Quick, Penn, Mitchell, and ABU/Zebco Cardinals

--

You don't work for your tools — your tools have to work for you...
Set up your shop and workspace accordingly and efficiently.

"The Truth is always the Truth, no matter how many do not believe it...And a lie is always a lie no matter how many people believe it."

Mattymo92

Quote from: foakes on August 03, 2016, 04:50:23 AM
Welcome, Matt --

As has been said by Sal and Daron, there is no teflon shim washer on a 9500SS -- on most spinners, this would go on top of the spool shaft -- and the spool would rest on it.

As Sal said, you can install a thin metal brass washer under the spool, where the spool rests on the spool shaft.

However, if this cures the issue -- there is still something amiss that was not there before you serviced it.

From your description, it almost has to be a rubbing problem on the underside and inside of the spool.

There is a drag assembly there, along with a shield and some screws.  If any of this is out of alignment, or loose, or screws not seated in -- that may be the issue.

Basically, picture how the spool shaft goes up and down -- then check the crosswind block as Sal said -- because if this shaft is not tight and in place -- the spool shaft would be riding a little lower -- enough to cause the spool to scrape slightly on the inside of the rotating head.

How far down did you disassemble your reel?  Completely or partially?

Best,

Fred








Hi Fred,

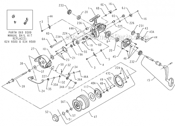
Thanks for your reply. That makes sense. To answer your question, I dissassembled everything but the bearings and the drag system. So I guess really only the gear box... Sounds like I need to open it back up this weekend and double check that cross wind and make sure everything is sitting in there correctly. That schematic you provided and the step by step link Sal provided should come in handy :)

Thanks,
Matt M.

Shark Hunter

I stand corrected. The nylon washer is on the top on these.

I was thinking it was like the 8500.
See the nylon washer on top of the shaft.

No Nylon on the Big Boy.

Sorry. I'm getting old. ::)
Life is Good!

Alto Mare

Matt, since you'll be there, make sure you check the pin on the crosswind gear as well, that gets lose at times.



Sal
Forget about all the reasons why something may not work. You only need to find one good reason why it will.

Mattymo92

#11
Gentlemen,

Thank you all for your awesome responses! So... something happened and its good news/bad news.....

I took the spool off (again) and put it back on (again) and miraculously the sound disappeared.... I then removed and placed back on again to see if it would come back and it hasn't... I dont know if this means that something internally popped back into place or what but my reel appears to have immaculately fixed itself lol.... So thats the good news...

Bad news is that I still have zero clue of what was causing the noise and no way to get any indication any more other than if I tear it apart and notice some glaring damage to the pieces mentioned by all of you... Also I have no idea if I may have a ticking time bomb waiting in my reel for the first time I hook a powerful fish or not. Or would dis-assembling and re-inspecting potentially cause the issue (which I suspect could be more due to human error than material/part degradation) to come back? So the question is... To dis-assemble and re-inspect for damage or leave it alone?... Hmm.  ??? ::)

Thoughts?

Thanks,
Matt Morgan

MarkT

I think some empirical research is called for.  Go catch a bunch of big fish on it and see what happens.  Tell your wife the experts said it's required for science!
When I was your age Pluto was a planet!

foakes

Right, Matt --

The sound as you described almost had to come from the spool as it bottomed out at the lower travel position.

Been there, done that -- got the shirt.

So just make sure the three little screws on the bottom of the drag shield are snug, plus make sure the spool seats snugly in place with the drag knob at proper adjustment.

I used to think that something could have gone wrong with a reel -- without me making the problem after disassembly and reassembly --

But then I realized in the vastness of the Space/Time Continuum -- the odds of me not being the culprit accidentally -- were better than a billion to one.

So when diagnosing -- always look to the simplest and most sensible solutions to a problem -- based on experience along with a knowledge of what I might have done to create the issue during the process.

That is how we all have -- and continue to learn.

You should leave it be -- it is fixed.

However, for future knowledge -- you might pop off the spool, and just see what could have been the closest parts that could have caused those scrapings inside the rotating head cup.

Good work...

Best,

Fred

The Official, Un-Authorized Service and Restoration Center for quality vintage spinning reels.

D-A-M Quick, Penn, Mitchell, and ABU/Zebco Cardinals

--

You don't work for your tools — your tools have to work for you...
Set up your shop and workspace accordingly and efficiently.

"The Truth is always the Truth, no matter how many do not believe it...And a lie is always a lie no matter how many people believe it."

Mattymo92

Fred and Mark T,

Thanks! I'm taking both of your advice and will leave it alone and take it down to the shore next weekend and see if I can put it to the test against some Jacks, Reds, and Shark  ;D!

- Matt M.